ZXCT1010 Datasheet by Diodes Incorporated

View All Related Products | Download PDF Datasheet
Product Line of 25 TEX l_||_l |_l V In R “n” To load 1MB ZXCT1010 Document number 0533442 Rev 1172 www.diodss.cum
ZXCT1010
Document number: DS33442 Rev. 11 - 2
1 of 8
www.diodes.com
March 2014
© Diodes Incorporated
ZXCT1010
A
Product Line o
f
Diodes Incorporated
ENHANCED HIGH-SIDE CURRENT MONITOR
Description
The ZXCT1010 is a high side current sense monitor. Using this
device eliminates the need to disrupt the ground plane when sensing
a load current.
It is an enhanced version of the ZXCT1009 offering reduced typical
output offset and improved accuracy at low sense voltage.
The wide input voltage range of 20V down to as low as 2.5V make it
suitable for a range of applications. A minimum operating current of
just 4µA, combined with its SOT25 package make suitable for
portable battery equipment.
Features
Low cost, accurate high-side current sensing
Output voltage scaling
Up to 2.5V sense voltage
2.5V to 20V supply voltage range
300nA typical offset current
3.5µA quiescent current
1% typical accuracy
SOT25 package
Totally Lead-Free & Fully RoHS Compliant(Note 1 & 2)
Halogen and Antimony Free. “Green” Device(Note 3)
Pin Assignments
SOT25
Package Suffix - E5
1
2
3
5
4
V -
SENSE
V +
SENSE
I
OUT
GND
NC
Top View
Applications
Battery chargers
Smart battery packs
DC motor control
Over current monitor
Power management
Programmable current source
Notes: 1. No purposely added lead. Fully EU Directive 2002/95/EC (RoHS) & 2011/65/EU (RoHS 2) compliant.
2. See http://www.diodes.com/quality/lead_free.html for more information about Diodes Incorporated’s definitions of Halogen- and Antimony-free, "Green"
and Lead-free.
3. Halogen- and Antimony-free "Green” products are defined as those which contain <900ppm bromine, <900ppm chlorine (<1500ppm total Br + Cl) and
<1000ppm antimony compounds.
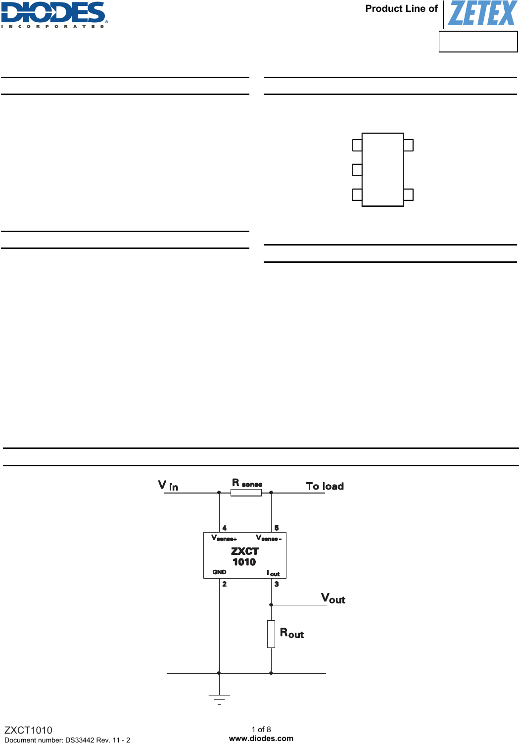
Typical Applications Circuit
25 TEX Vanna“ Vuna' sENsEmm ZXCT1010 20“} Document number 0533442 Rev 1172 www.diodss.cum
ZXCT1010
Document number: DS33442 Rev. 11 - 2
2 of 8
www.diodes.com
March 2014
© Diodes Incorporated
ZXCT1010
A
Product Line o
f
Diodes Incorporated
Pin Descriptions
Pin Number Pin Name Function
1 NC No connection
2 GND Ground
3 IOUT Output current, proportional to VIN - VLOAD
4 VSENSE- Supply voltage
5 VSENSE+ Connection to load/battery
Functional Block Diagram
Absolute Maximum Ratings (@TA = +25°C, unless otherwise specified.)
Parameter Rating Unit
Voltage on any pin (relative to IOUT) -0.6 to +20 V
Continuous output current, IOUT 25 mA
Continuous sense voltage, VSENSE (Note 4) -0.5 to +0.5 V
Operating temperature, TA -40 to +85 °C
Storage temperature -55 to +125 °C
Package power dissipation(@TA = +25°C) SOT25 300 mW
Note: 4. Operation above the absolute maximum rating may cause device failure. Operation at absolute maximum ratings, for extended periods, may reduce
device reliability
Electrical Characteristics (@TA = +25°C, unless otherwise specified.)
Symbol Parameter Conditions Limits Units
Min Typ Max
VIN VCC range 2.5 20 V
IOUT Output Current (Note 5)
VSENSE = 0V 0 0.3 10 µA
VSENSE = 10mV 85 100 115
VSENSE = 100mV 0.975 1.0 1.025
mA
VSENSE = 200mV 1.95 2.0 2.05
VSENSE = 1V 9.7 10.0 10.3
Iq Ground pin current VSENSE = 0V 3.5 8 µA
VSENSE Sense Voltage (Note 6) 0 2500 mV
ISENSE- VSENSE - Input Current 100 nA
ACC Accuracy RSENSE = 0.1Ω; VSENSE = 200mV -2.5 2.5 %
GM Transconductance, IOUT/VSENSE 10000 µA/V
BW Bandwidth
VSENSE(DC) = 10mV, RF PIN = -40dBm (Note 7) 300 kHz
VSENSE(DC) = 100mV, RF PIN = -20dBm (Note
7) 2 MHz
Notes: 5. Include input offset voltage contribution
6. VSENSE is defined as the differential voltage between VSENSE+ and VSENSE-, VSENSE = VSENSE+ -VSENSE- =VIN-VLOAD = ILOAD * RSENSE
7. -20dBm = 63mVP-P into 50Ω
DIODES. Producr Line of ZETEX ICUr 4 Output Current (AI 10m VW - 5v mun—1w m. In I?“ : an m loan H 1m: u 1» 100p 1m le roam 1 Vsm5r (VI Typical Output v Sense Voltage Oulput Current Error (%) ‘ IIII I I I II v“ - 5v 3 hurt: . 2w: \ Rwy . on 7 TVDiEflI I . \‘ 0 ‘ -. -l 1m lOrn 100m I Vsms: IVI Error v Sense Voltage |0U - Output Current (mAI 10,2 10,0 9.5 9,6 SJ ~40 40 o Ternpermure (°CI Output Current v Temperature 70 AD 60 80 Gain (d8) v” . W, m... . 2512, Rr 9" --1E¢I'n Dc v,“ — omv DCVuw=0JV Hm... DCV :IV was 0.01 0,1 I Frequency INHz) Frequency Response IO Document numben 0533442 Rev. H , 2 11 , , , v~:5v Vanni "V v~»sv E I” - rum-25': r r v Tnmh - 251 E 8 km : on v59“! (LEV A RF F“ _ -2nuam Vw. - ‘V 9 , , , a: . 5 vWE —o.av '3 .-°- V U 5 , , , g I“ | | g vb“ : ornv 33 VWI ’ W'V . . . . m 0 Ir vw, , nr7v E: 5 z _o o 0 'I 1 3 l 5 I 10 100 IR 10k 100k IM 10M VN - Supply Volume (V) Frequency (Hz) Transfer Characteristic Common Mode Rejection ZXCTI 01 0 3 o! B www.diodes.com
ZXCT1010
Document number: DS33442 Rev. 11 - 2
3 of 8
www.diodes.com
March 2014
© Diodes Incorporated
ZXCT1010
A
Product Line o
f
Diodes Incorporated
Typical Performance Characteristics
9-ODES Producfi Line of ZETEX g- m Dl-klflan Mum) . . I. u .- n .- u. ‘- L-Ambmemewn vm Rm“ UN Flaw Rom 8 March 2014 es.com a Dmdes \ncuvpnraled
ZXCT1010
Document number: DS33442 Rev. 11 - 2
4 of 8
www.diodes.com
March 2014
© Diodes Incorporated
ZXCT1010
A
Product Line o
f
Diodes Incorporated
Power Dissipation
The maximum allowable power dissipation of the device for normal operation (PMAX), is a function of the package junction temperature (TJ(MAX)),
and ambient temperature (TAMB), according to the expression.
PMAX = (TJ(MAX) – TAMB)/θJA
The device power dissipation, PD is given by the expression:
PD = IOUT*(VIN – VOUT) Watts
Application Information
The following lines describes how to scale a load current to an output voltage.
E.g.
A 1.0A current is to be represented by a 100mV output voltage:
1) Choose the value of RSENSE to give 50mV > VSENSE > 500mV at full load.
For example, VSENSE = 100mV at 1.0A. RSENSE = 0.1/1.0 = > 0.1ohms.
2) Choose ROUT to give VOUT = 100mV, when VSENSE = 100mV.
Rearranging for Rout gives:
ROUT = VOUT/(VSENSE x 0.01)
ROUT = 0.1/(0.1 x 0.01) = 100Ω
Typical Circuit Application:
When RLOAD represented any load including DC motors, a charging battery or further circuitry that requires monitoring, RSENSE can be selected on
specific requirements of accuracy, size and power rating.
VSENSE = VIN – VLOAD
VOUT = 0.01 x VSENSE x ROUT
Typical Application Circuit
ZETEX Charger Inpul FZT789A1‘DuH o 1;; To Eauerv . D . ‘3. BCB’W725 “(S2 ZHCSWDO v}.. Lola EAS‘G ' “’09 3: IauH SVT , _ bq2954 J,- support components cmlued for clanw L IW‘ mu zxcr mu v,” vw v1 R m: V2 v aux ZXCT1010 Document numben 0533442 Rev. H , 2
ZXCT1010
Document number: DS33442 Rev. 11 - 2
5 of 8
www.diodes.com
March 2014
© Diodes Incorporated
ZXCT1010
A
Product Line o
f
Diodes Incorporated
Application Information (cont.)
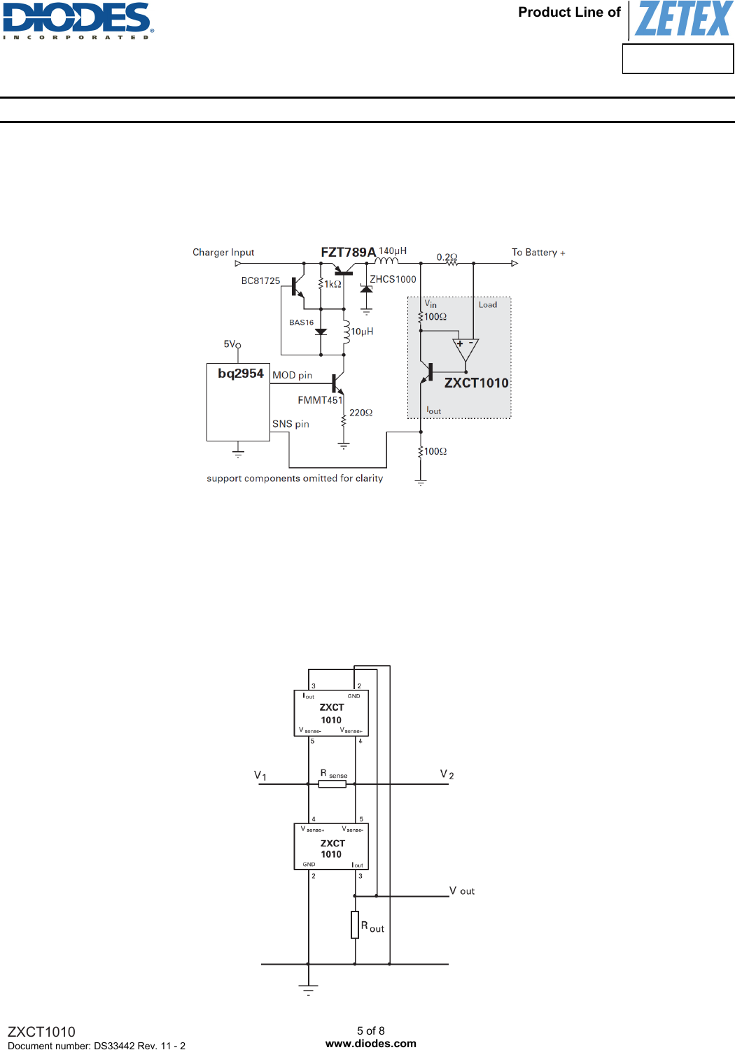
Li-ion Charger Circuit:
The figure below shows the ZXCT1010 supporting the Benchmarq bq2954 Charge Management IC. Most of the support components for the
bq2954 are omitted for clarity. This design also uses the Zetex FZT789A high current Super-b PNP as the switching transistor in the DC-DC step
down converter and the FMMT451 as the drive NPN for the FZT789A. The circuit can be configured to charge up to four Li-ion cells at a charge
current of 1.25A. Charge can be terminated on maximum voltage, selectable minimum current, or maximum time out, switching frequency of the
PWM loop is approximately 120kHz.
Bi-Directional Current Sensing:
The ZXCT1010 can be used to measure current bi-directionally, if two devices are connected as show below:
If the voltage V1 is positive with respect to the voltage V2 the lower device will be active, delivering a proportional output current to Rout. Due to the
polarity of the voltage across RSENSE, the upper device will be inactive and will not contribute to the current delivered to Rout. When V2 is more
positive than V1, current will be flowing in the opposite direction, causing the upper device to be active instead.
Non-linearity will be apparent at small values of VSENSE due to offset current contribution. Devices can use separate output resistors if the current
direction is to be monitored independently.
9-ODES Product Line of ZETEX Output Current imAl 400 7200 0 200 400 Sense Voltage (mV) Output Current v Sense Voltage Voltage across 3. stunwsmt a) «mm m S —o 1.2 > U WWW“ a. g m Ways“ 3 E O VDUY mm Ideal Z 0-5 swam.” -4u -20 o 20 on so 30 mo 120 140 Temperature (”Cl Effect of Sense Resistor Material on Temperature Performance ZXCT1010 Document number 0533442 Rev 11 , 2 zxcnma mo Lnad Vault: wr- ZETEX Actual Size 6 of B www.diodes.com ZXCT‘HZHIZ GND Load Unut: U I rt 15 TEX Layout shows area of shunt resistor compared to SOT23-5 package. Not actual size
ZXCT1010
Document number: DS33442 Rev. 11 - 2
6 of 8
www.diodes.com
March 2014
© Diodes Incorporated
ZXCT1010
A
Product Line o
f
Diodes Incorporated
Application Information (cont.)
Bi-Directional Transfer Function:
PCB Trace Shunt Resistor for Low Cost Solution:
The figure below shows output characteristics of the device when using a PCB resistive trace for a low cost solution in replacement for a
conventional shunt resistor. The graph shows the linear rise in voltage across the resistor due to the PTC of the material and demonstrates how this
rise in resistance value over temperature compensates for the NTC of the device.
The figure opposite shows a PCB layout suggestion. The resistor section is 25mm x 0.25mm giving approximately 150mΩ using 1oz copper. The
data for the normalized graph was obtained using a 1A load current and a 100Ω output resistor. An electronic version of the PCB layout is available
by request.
25 TEX |<——4><+——a iol="" zxct1010="" 70“}="" document="" number="" 0533442="" rev="" 1172="" www.diodss.cum="">
ZXCT1010
Document number: DS33442 Rev. 11 - 2
7 of 8
www.diodes.com
March 2014
© Diodes Incorporated
ZXCT1010
A
Product Line o
f
Diodes Incorporated
Ordering Information
Part Number Reel Size Tape Width Quantity per Reel Part Marking Package
ZXCT1010E5TA 7” 8mm 3000 Units 101 SOT25
Note: 8. Pad layout as shown on Diodes Inc. suggested pad layout document AP02001, which can be found on our website at
http://www.diodes.com/datasheets/ap02001.pdf
Package Outline Dimensions (All dimensions in mm.)
Please see AP02002 at http://www.diodes.com/datasheets/ap02002.pdf for latest version.
Suggested Pad Layout
Please see AP02001 at http://www.diodes.com/datasheets/ap02001.pdf for latest version.
SOT25
Dim Min Max Typ
A 0.35 0.50 0.38
B 1.50 1.70 1.60
C 2.70 3.00 2.80
D 0.95
H 2.90 3.10 3.00
J 0.013 0.10 0.05
K 1.00 1.30 1.10
L 0.35 0.55 0.40
M 0.10 0.20 0.15
N 0.70 0.80 0.75
α 0° 8°
All Dimensions in mm
Dimensions Value (in mm)
Z 3.20
G 1.60
X 0.55
Y 0.80
C1 2.40
C2 0.95
A
M
JL
D
B C
H
KN
X
Z
Y
C1
C2C2
G
25 TEX ZXCT1010 8018 Document number 0533442 Rev 1172 www.diodes.cum
ZXCT1010
Document number: DS33442 Rev. 11 - 2
8 of 8
www.diodes.com
March 2014
© Diodes Incorporated
ZXCT1010
A
Product Line o
f
Diodes Incorporated
IMPORTANT NOTICE
DIODES INCORPORATED MAKES NO WARRANTY OF ANY KIND, EXPRESS OR IMPLIED, WITH REGARDS TO THIS DOCUMENT,
INCLUDING, BUT NOT LIMITED TO, THE IMPLIED WARRANTIES OF MERCHANTABILITY AND FITNESS FOR A PARTICULAR PURPOSE
(AND THEIR EQUIVALENTS UNDER THE LAWS OF ANY JURISDICTION).
Diodes Incorporated and its subsidiaries reserve the right to make modifications, enhancements, improvements, corrections or other changes
without further notice to this document and any product described herein. Diodes Incorporated does not assume any liability arising out of the
application or use of this document or any product described herein; neither does Diodes Incorporated convey any license under its patent or
trademark rights, nor the rights of others. Any Customer or user of this document or products described herein in such applications shall assume
all risks of such use and will agree to hold Diodes Incorporated and all the companies whose products are represented on Diodes Incorporated
website, harmless against all damages.
Diodes Incorporated does not warrant or accept any liability whatsoever in respect of any products purchased through unauthorized sales channel.
Should Customers purchase or use Diodes Incorporated products for any unintended or unauthorized application, Customers shall indemnify and
hold Diodes Incorporated and its representatives harmless against all claims, damages, expenses, and attorney fees arising out of, directly or
indirectly, any claim of personal injury or death associated with such unintended or unauthorized application.
Products described herein may be covered by one or more United States, international or foreign patents pending. Product names and markings
noted herein may also be covered by one or more United States, international or foreign trademarks.
This document is written in English but may be translated into multiple languages for reference. Only the English version of this document is the
final and determinative format released by Diodes Incorporated.
LIFE SUPPORT
Diodes Incorporated products are specifically not authorized for use as critical components in life support devices or systems without the express
written approval of the Chief Executive Officer of Diodes Incorporated. As used herein:
A. Life support devices or systems are devices or systems which:
1. are intended to implant into the body, or
2. support or sustain life and whose failure to perform when properly used in accordance with instructions for use provided in the
labeling can be reasonably expected to result in significant injury to the user.
B. A critical component is any component in a life support device or system whose failure to perform can be reasonably expected to cause the
failure of the life support device or to affect its safety or effectiveness.
Customers represent that they have all necessary expertise in the safety and regulatory ramifications of their life support devices or systems, and
acknowledge and agree that they are solely responsible for all legal, regulatory and safety-related requirements concerning their products and any
use of Diodes Incorporated products in such safety-critical, life support devices or systems, notwithstanding any devices- or systems-related
information or support that may be provided by Diodes Incorporated. Further, Customers must fully indemnify Diodes Incorporated and its
representatives against any damages arising out of the use of Diodes Incorporated products in such safety-critical, life support devices or systems.
Copyright © 2014, Diodes Incorporated
www.diodes.com

Products related to this Datasheet

IC CURRENT MONITOR 1% SOT-23-5
IC CURRENT MONITOR 1% SOT-23-5
IC CURRENT MONITOR 1% SOT-23-5